Steyr Forum

A680G Armaturenbrett

  • mtis69
  • mtis69s Avatar Autor
  • Benutzer
  • Benutzer
  • In Vino Veritas!
  • Beiträge: 16
  • Thanks: 0

A680G Armaturenbrett

17 Sep. 2021 11:44
#42617
Hallo zusammen,
wer kennt den Zweck der beiden 6,3mm Buchsen im Armaturenbrett neben der Wischwasserpumpenknopf?

 

Bitte Anmelden oder Registrieren um der Konversation beizutreten.

  • Langnase
  • Langnases Avatar
  • Benutzer
  • Benutzer
  • Beiträge: 298
  • Thanks: 55

Re: A680G Armaturenbrett

18 Sep. 2021 20:13 - 18 Sep. 2021 20:19
#42634
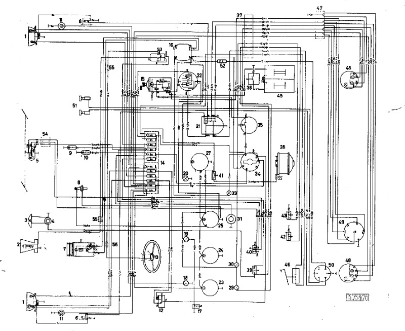
Die beiden Buchsen (51) sind auf den Stecker (50) an der linken, hinteren Fahrerhausseite verdrahtet. Dort an diesem 6-poligen Stecker liegen auch noch 24V Dauerspannung an, die separat abgesichert ist mit einem 10A Automat (52) direkt neben dem Spannungsregler (16)/Blinkrelais (22) im Beifahrerfußraum. Sie dienten wohl für eine Sprechfunkverbindung.

Anhänge:

Letzte Änderung: 18 Sep. 2021 20:19 von Langnase.

Bitte Anmelden oder Registrieren um der Konversation beizutreten.

Ladezeit der Seite: 1.761 Sekunden
Powered by Kunena Forum