Steyr 690 EX Feuerwehr zusätzliche Feststellbremse
- Steyrfire
-
Autor
- Benutzer
-
- Beiträge: 7
- Thanks: 0
Steyr 690 EX Feuerwehr zusätzliche Feststellbremse
16 Mai 2025 21:03
Hallo,
ich entrümpele gerade unseren Steyr. Die komplette Feuerwehr-Elektrik (Pumpensteuerung, Beleuchtung Aufbau, ...) habe ich bereits Kabel für Kabel ausgebaut. Die Mini-SPS ebenfalls. Die Kreiselpumpe hat einen zusätzlichen Kühlkreislauf für den Motor, diesen habe ich vorerst gebrückt. Bei der pneumatischen Rückrüstung habe ich mich etwas gewundert.
Der Steyr baut relativ schnell den Bremsdruck auf. Der Nebenantrieb ließ sich nicht einschalten. Erst wenn der "höhere" Betriebdruck erreicht ist, läßt sich der Nebenantrieb pneumatisch einkuppeln. Hierfür ist dort ein Pneumatikzylinder platziert. Sobal der Pneumatikzylinder Druck bekommt, fahren vorne und hinten Pneumatikzylinder aus, die die Bremse zusätzlich mechanisch betätigen.
Der Steyr 690 hat eine luftunterstütze Bremse - nur zur Info
.
Jetzt die Frage: Sind diese beiden zusätzlichen Bremsbetätigungen eine feuerwehrtechnische Nachrüstung? Demontieren oder diese zusätzliche Feststellbremse belassen (mit Ventil betätigen).
Morgen fliegt die Pumpe raus, dann mache ich ein paar Fotos von der 2. Feststellbremse
VG Markus
ich entrümpele gerade unseren Steyr. Die komplette Feuerwehr-Elektrik (Pumpensteuerung, Beleuchtung Aufbau, ...) habe ich bereits Kabel für Kabel ausgebaut. Die Mini-SPS ebenfalls. Die Kreiselpumpe hat einen zusätzlichen Kühlkreislauf für den Motor, diesen habe ich vorerst gebrückt. Bei der pneumatischen Rückrüstung habe ich mich etwas gewundert.
Der Steyr baut relativ schnell den Bremsdruck auf. Der Nebenantrieb ließ sich nicht einschalten. Erst wenn der "höhere" Betriebdruck erreicht ist, läßt sich der Nebenantrieb pneumatisch einkuppeln. Hierfür ist dort ein Pneumatikzylinder platziert. Sobal der Pneumatikzylinder Druck bekommt, fahren vorne und hinten Pneumatikzylinder aus, die die Bremse zusätzlich mechanisch betätigen.
Der Steyr 690 hat eine luftunterstütze Bremse - nur zur Info
Jetzt die Frage: Sind diese beiden zusätzlichen Bremsbetätigungen eine feuerwehrtechnische Nachrüstung? Demontieren oder diese zusätzliche Feststellbremse belassen (mit Ventil betätigen).
Morgen fliegt die Pumpe raus, dann mache ich ein paar Fotos von der 2. Feststellbremse
VG Markus
Bei nassen Straßen müssen Sie 16 – geben. ..also doppelt acht!!!
Bitte Anmelden oder Registrieren um der Konversation beizutreten.
- Langnase
-
- Benutzer
-
- Beiträge: 300
- Thanks: 55
Re: Steyr 690 EX Feuerwehr zusätzliche Feststellbremse
17 Mai 2025 22:38
Du hast im 690er eine sog. pneumatische Hilfsbremskraftanlage. Ähnlich wie beim PKW, wo die hydraulische Bremsanlage mit Unterdruck versorgt wird, läuft sie bei uns mit Druckluft. Zur Not läuft die Hilfskraftbremse auch mit 2 bar. Bei 4bar ist bei uns der Zeiger aus der Frontscheibe verschwunden, bei ca. 4,2bar gibt das Schutzventil die zusätzlichen Druckluftverbraucher frei, um der LKW Bremsanlage einen Mindestdruck zu sichern. Mach mal Bilder, wie diese zusätzliche Bremsbetätigung aussieht.
Gruß
Stefan
Gruß
Stefan
Bitte Anmelden oder Registrieren um der Konversation beizutreten.
- Steyrfire
-
Autor
- Benutzer
-
- Beiträge: 7
- Thanks: 0
Re: Steyr 690 EX Feuerwehr zusätzliche Feststellbremse
23 Juni 2025 21:15
Hallo,
vielen Dank für die Antwort/en!
Die Funktionsweise der eigentlichen Bremse war mir schon klar, jedoch habe ich mich gewundert, dass es 2 Stufen der Druckabschaltungen gibt.
1. Erreichen Bremsdruck = rote Lampe im Cockpit aus
2. Erreichen Abschaltdruck = Abblasen -> nur bei diesem Druck kann ich den Steyr abschalten (Fußtaster). Bei diesem Druck funktioniert auch erst die Pumpensteuerung (pneumatische Betätigung Nebenantrieb)
Ich habe nun den Aufbau demontiert und die "Mechanik" freigelegt.
Es handelt sich nicht um eine zusätzliche, pneumatische Feststellbremse!
Der vordere Pneumatikzylinder betätigt die Kupplung, sobald die automatische Pumpe aktiv wird. Die Pumpensteuerung (Mini SPS) betätigt die Kupplung, dann den Nebenantrieb. Der hintere Pneumatikzylinder ist ebenfalls mit dem Nebenantrieb verbunden. Hinten wurde der zusätzliche Zylinder parallel zur mechanischen Betätigung der Pumpe montiert, so dass diese bei Ausfall der Pneumatik/Steuerung auch manuell betätigt werden kann.
Ich habe den hinteren Zylinder ursprünglich für eine zus. Betätigung der Bremse gehalten, da darunter noch ein Ventil von Wabco verbaut ist.
Dieses Ventil ist aber für die Entlüftung der Pumpe (Auspuffgasstrahler) verbunden. Wenn die Pumpe aktiviert wird, öffnet das Ventil und entlüftet die Pumpe = Ansaugen der Kreiselpumpe. Die Pumpe hat keine/n Trokomaten.
Ich werde nun die restlichen Feuerwehr-Komponenten nach und nach demontieren
.
Viele Grüße - Markus
vielen Dank für die Antwort/en!
Die Funktionsweise der eigentlichen Bremse war mir schon klar, jedoch habe ich mich gewundert, dass es 2 Stufen der Druckabschaltungen gibt.
1. Erreichen Bremsdruck = rote Lampe im Cockpit aus
2. Erreichen Abschaltdruck = Abblasen -> nur bei diesem Druck kann ich den Steyr abschalten (Fußtaster). Bei diesem Druck funktioniert auch erst die Pumpensteuerung (pneumatische Betätigung Nebenantrieb)
Ich habe nun den Aufbau demontiert und die "Mechanik" freigelegt.
Es handelt sich nicht um eine zusätzliche, pneumatische Feststellbremse!
Der vordere Pneumatikzylinder betätigt die Kupplung, sobald die automatische Pumpe aktiv wird. Die Pumpensteuerung (Mini SPS) betätigt die Kupplung, dann den Nebenantrieb. Der hintere Pneumatikzylinder ist ebenfalls mit dem Nebenantrieb verbunden. Hinten wurde der zusätzliche Zylinder parallel zur mechanischen Betätigung der Pumpe montiert, so dass diese bei Ausfall der Pneumatik/Steuerung auch manuell betätigt werden kann.
Ich habe den hinteren Zylinder ursprünglich für eine zus. Betätigung der Bremse gehalten, da darunter noch ein Ventil von Wabco verbaut ist.
Dieses Ventil ist aber für die Entlüftung der Pumpe (Auspuffgasstrahler) verbunden. Wenn die Pumpe aktiviert wird, öffnet das Ventil und entlüftet die Pumpe = Ansaugen der Kreiselpumpe. Die Pumpe hat keine/n Trokomaten.
Ich werde nun die restlichen Feuerwehr-Komponenten nach und nach demontieren
Viele Grüße - Markus
Bei nassen Straßen müssen Sie 16 – geben. ..also doppelt acht!!!
Bitte Anmelden oder Registrieren um der Konversation beizutreten.
- Gregorix
-
- Benutzer
-
- Beiträge: 209
- Thanks: 50
Re: Steyr 690 EX Feuerwehr zusätzliche Feststellbremse
02 Juli 2025 07:04
Ohne das Auto zu kennen, aber das beschriebene Verhalten klingt normal:
Betriebsbremse wird als erstes mit Druckluft versorgt. Bei Erreichen des Sicherheitsdrucks wird der Handbrems- und Anhängersteuerkreis versorgt. (Rote Lampe) Kurz vor Erreichen des Abschaltdrucks wird dann der Kreis für alle sonstigen Verbraucher versorgt. Die Pumpe, Staudruckbremse und die Zusatzbremse gehören wohl dazu.
Macht das 4 Kreis Schutzventil...
LG
Betriebsbremse wird als erstes mit Druckluft versorgt. Bei Erreichen des Sicherheitsdrucks wird der Handbrems- und Anhängersteuerkreis versorgt. (Rote Lampe) Kurz vor Erreichen des Abschaltdrucks wird dann der Kreis für alle sonstigen Verbraucher versorgt. Die Pumpe, Staudruckbremse und die Zusatzbremse gehören wohl dazu.
Macht das 4 Kreis Schutzventil...
LG
Bitte Anmelden oder Registrieren um der Konversation beizutreten.
- Langnase
-
- Benutzer
-
- Beiträge: 300
- Thanks: 55
Re: Steyr 690 EX Feuerwehr zusätzliche Feststellbremse
12 Juli 2025 23:08
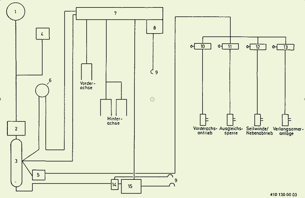
Das Vierkreisschutzventil gibt es in diesen Baureihen sehr selten. Das nannte sich zu der Zeit Drucksicherungsventil. Alles was nicht Bremse war, befand sich hinter dem Drucksicherungsventil, bei den Fahrzeugen war das der Allradantrieb, die Differentialsperre/Ausgleichssperre, die Seilwinde/Nebenabtrieb und die Verlangsameranlage/Staudruckbremse
1 - Luftpresser
2 - Druckregler
3 - Druckluftbehälter
4 - Frostschutzpumpe
5 - Drucksicherungsventil
6 - Doppeldruckmesser
7/8 - Druckluftbremsgerät
9 - Kupplungskopf
1 - Luftpresser
2 - Druckregler
3 - Druckluftbehälter
4 - Frostschutzpumpe
5 - Drucksicherungsventil
6 - Doppeldruckmesser
7/8 - Druckluftbremsgerät
9 - Kupplungskopf
Bitte Anmelden oder Registrieren um der Konversation beizutreten.
Ladezeit der Seite: 0.837 Sekunden